Insert bearings

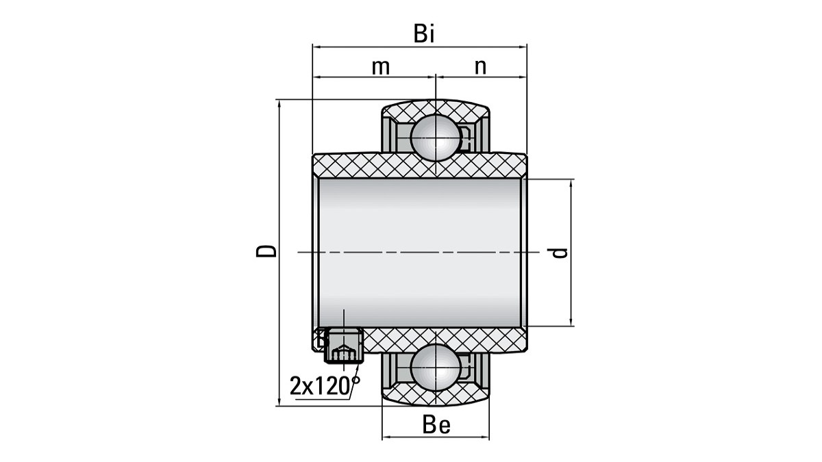
Insert bearings are single-row, ready-to-assemble units. They consist of a solid outer ring, an inner ring widened on one or both side and a cage. Insert bearings can be designed in such a way that the inner ring is widened on both side, thus reducing the tilting of the inner ring and achieving a smoother run.

Insert bearings are used in pillow block and bolt flange housing. They act as slidingbearings in the housing, this type of bearing can compensate for misalignment of the shaft. The plastic insert bearings are maintenance and lubrication-free.

Insert bearings from SMG fit into SMG's pillow block and bolt flange housing as well as into the well-known, standardized cast steel housings. The standard material combinations for insert bearings are rings made of POM, cage made of PA and balls made of stainless steel AISI 316.

Insert bearings from SMG can also be customized.
Variants in inch dimensions are possible.

 
 
 

Welcome to SMG

You would like detailed information about our product range or technical support.

Please feel free to contact us.

 

Contact

Schmeing GmbH & Co. KG

Ostring 26
46348 Raesfeld
Germany

Telephone: +49 2865 909 300
Telefax: +49 2865 909 5300
E-Mail: sales@smg-plastics.de

Scroll to top